网站首页-联系我们欢迎访问常州本洲涂料有限公司官网!
18661107130

常州本洲涂料有限公司 Changzhou Benzhou Paint Co., Ltd

您的位置: 首页 > 新闻中心

新闻动态

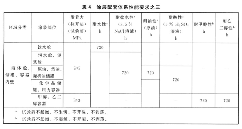
海上石油平台用防腐涂料HG/T 5059-2016国家标准
更新时间:2021-08-23 点击:1453

本标准规定了海上石油平台用防腐涂料的涂装区域分类,要求,试验方法,检验规则以及标志、包装和贮存。

本标准适用于海上石油平台新建时对平台结构起防腐蚀保护作用的涂料。本标准所指的海上石油平台包括固定式平台、张力腿平台、半潜式平台及深水浮筒平台等,不包括浮式制作储油装置(FP-SO


图片5.png


图片9.png



 

 


上一条信息:多彩涂料常见的问题